Isuzu Engine Wiring Diagram

18+ Isuzu Engine Wiring Diagram Images. Isuzu workshop repair manuals & wiring diagrams pdf free download. Trading as isuzu is a japanese commercial vehicle and diesel engine manufacturing company headquartered in tokyo.

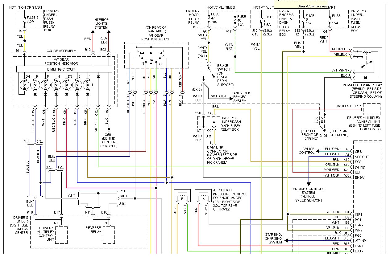
Fuse Box Diagram: Electrical Problem 6 Cyl Four Wheel ...
Fuse Box Diagram: Electrical Problem 6 Cyl Four Wheel ... from www.2carpros.com
F & g trucks starting and charging system wiring diagram. Crankshaft, piston and flywheel diagram. Isuzu workshop repair manuals & wiring diagrams pdf free download.

You may originate from an internet search engine, then find this web site.

Oil pan and dipstick diagram. Engine wiring84_pmgr isuzu ftr wiring di. You may originate from an internet search engine, then find this web site. .isuzu workshop manuals, isuzu owners manuals, isuzu wiring diagrams, isuzu sales brochures and general miscellaneous isuzu downloads.


0 Response to "Isuzu Engine Wiring Diagram"

Post a Comment

Iklan Atas Artikel

Iklan Tengah Artikel 1

Iklan Tengah Artikel 2

Iklan Bawah Artikel