Relay Wiring Diagram For Starter

22+ Relay Wiring Diagram For Starter Gif. These 6 wires will be connected to the remote start relay module. A relay is typically used to control a component that draws high amperage.

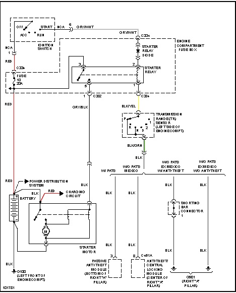
Wiring Diagram to Starter: I Have 5 Wires to Connect to ...
Wiring Diagram to Starter: I Have 5 Wires to Connect to ... from www.2carpros.com
The starter relay switches on the current that activates the. Wiring of contacts and relays. It is also possible for a sticking component or relay to cause a.

Actros nummek units wiring diagram.

1a and 1c contact form available. Used for accessories in a 12volt system. Wiring diagram a wiring diagram shows, as closely as possible, the actual location of all component parts of the device. Class 8430 type g fig.


0 Response to "Relay Wiring Diagram For Starter"

Post a Comment

Iklan Atas Artikel

Iklan Tengah Artikel 1

Iklan Tengah Artikel 2

Iklan Bawah Artikel